AYUDA CON PALANQUERA WINCHESTER 9422 XTR!!!

Rifles para Bench-Rest, tiro a larga distancia, carabinas...
Avatar de Usuario
llana7
.300 Win Mag
.300 Win Mag
Mensajes: 1868
Registrado: 04 Nov 2010 17:05
Ubicación: GUNSITE
Contactar:
Estado: Desconectado

AYUDA CON PALANQUERA WINCHESTER 9422 XTR!!!

Mensajepor llana7 » 21 Jul 2015 10:15

Necesito la uña extractora para devolver a la vida a mi querida carabina palanquera del 22 Winchester 9422 XTR.
Lo he intentado con varias páginas de los USA, pero no hay manera que la envíen a España.
Esta es la puñetera pieza (dos armeros han intentado sin éxito hacerla artesanalmente).
De los USA hasta el momento no he conseguido que me la envíen y de España o Europa, no se donde preguntar.
Cualquier idea por privado por favor. Gracias al foro y saludos para todos.
Esta es la pieza en cuestión:
Imagen
Anda ... alégrame el dí­a ....

Avatar de Usuario
CHRISTOPHE
375 HH Magnum
375 HH Magnum
Mensajes: 4960
Registrado: 16 Ago 2007 12:01
Ubicación: ANDORRA
Contactar:
Estado: Desconectado

Re: AYUDA CON PALANQUERA WINCHESTER 9422 XTR!!!

Mensajepor CHRISTOPHE » 21 Jul 2015 11:08

Buenas, míralo en esta pagina, a ver si tienes suerte.

https://www.jepercute.com/index.php/docu ... start=2780

saludos..

Avatar de Usuario
llana7
.300 Win Mag
.300 Win Mag
Mensajes: 1868
Registrado: 04 Nov 2010 17:05
Ubicación: GUNSITE
Contactar:
Estado: Desconectado

Re: AYUDA CON PALANQUERA WINCHESTER 9422 XTR!!!

Mensajepor llana7 » 21 Jul 2015 13:22

Gracias compañero, pero no lo encuentro en esa página.
Anda ... alégrame el dí­a ....

Avatar de Usuario
CHRISTOPHE
375 HH Magnum
375 HH Magnum
Mensajes: 4960
Registrado: 16 Ago 2007 12:01
Ubicación: ANDORRA
Contactar:
Estado: Desconectado

Re: AYUDA CON PALANQUERA WINCHESTER 9422 XTR!!!

Mensajepor CHRISTOPHE » 21 Jul 2015 15:47

Tienes alguna referencia del recambio que necesitas? en teoría con el pdf que te
dejo, en la pagina 30 tiene que estar!!! o no hablamos de la misma arma.

un saludo.

uyy, no sale.. :mrgreen:

a ver así.. :?

https://www.winchesterint.com/winchester ... 209422.pdf

Avatar de Usuario
Invitado
.300 Win Mag
.300 Win Mag
Mensajes: 1873
Registrado: 09 May 2010 11:42
Ubicación: Dos Hermanas ( Sevilla )
Contactar:
Estado: Desconectado

Re: AYUDA CON PALANQUERA WINCHESTER 9422 XTR!!!

Mensajepor Invitado » 21 Jul 2015 16:01

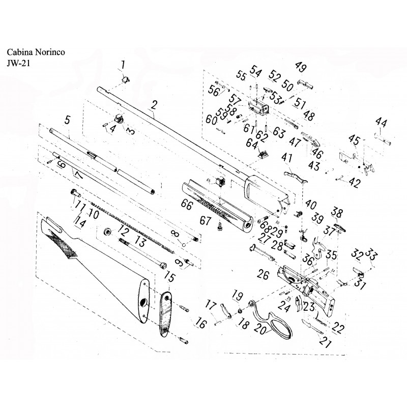
Hola, NORINCO fabrica una copia muy muy parecido aunque de menor calidad, tal vez alguna pieza de repuesto de la NORINCO te pueda servir para la Winchester.


Estas fotos son de la NORINCO y la venden en muchas armerías.

saludos
Adjuntos
Necesito la uña extractora para devolver a la vida a mi querida carabina  palanquera del 22 Winchester 40
Necesito la uña extractora para devolver a la vida a mi querida carabina  palanquera del 22 Winchester 41

Avatar de Usuario
llana7
.300 Win Mag
.300 Win Mag
Mensajes: 1868
Registrado: 04 Nov 2010 17:05
Ubicación: GUNSITE
Contactar:
Estado: Desconectado

Re: AYUDA CON PALANQUERA WINCHESTER 9422 XTR!!!

Mensajepor llana7 » 22 Jul 2015 16:18

Grscias compañeros. El problema es saber donde la venden o que web la envia a España.o
Anda ... alégrame el dí­a ....

Avatar de Usuario
Kempka
Usuario Baneado
Mensajes: 3796
Registrado: 25 Feb 2008 05:01
Estado: Desconectado

Re: AYUDA CON PALANQUERA WINCHESTER 9422 XTR!!!

Mensajepor Kempka » 22 Jul 2015 17:40

Si no encuentras ninguna web que envie a España hazte una cuenta en shipito o alguna empresa de redireccionamiento de paquetes similar.
Yo uso shipito y funciona bastante bien. Y por lo general incluso comprando en webs q envian a España sale mas barato haciendolo a traves de la empresa de redireccionado.

Avatar de Usuario
llana7
.300 Win Mag
.300 Win Mag
Mensajes: 1868
Registrado: 04 Nov 2010 17:05
Ubicación: GUNSITE
Contactar:
Estado: Desconectado

Re: AYUDA CON PALANQUERA WINCHESTER 9422 XTR!!!

Mensajepor llana7 » 23 Jul 2015 18:12

Pues hasta el momento imposible encontrar una web que envíe esta pieza a España.
Gracias por el consejo Kempka, nunca había oído hablar de ello, pero lo miraré.
Anda ... alégrame el dí­a ....

ZKM581
9mm Parabellum
9mm Parabellum
Mensajes: 66
Registrado: 29 Jun 2007 04:01
Contactar:
Estado: Desconectado

Re: AYUDA CON PALANQUERA WINCHESTER 9422 XTR!!!

Mensajepor ZKM581 » 23 Jul 2015 19:03

¡Hola! Trata de hablar con una armería para que esta se ponga en contacto con el importador en España, que creo que es Aguirre y Cia, no obstante tambien puede ponerse en contacto con Aguirre directamente, pero solo sirven a armerías. Suerte

Avatar de Usuario
llana7
.300 Win Mag
.300 Win Mag
Mensajes: 1868
Registrado: 04 Nov 2010 17:05
Ubicación: GUNSITE
Contactar:
Estado: Desconectado

Re: AYUDA CON PALANQUERA WINCHESTER 9422 XTR!!!

Mensajepor llana7 » 24 Jul 2015 10:56

Fue lo primero que hice, pero no tienen la pieza en Aguirre, de ahí lo de intentarlo fuera.... sin éxito hasta ahora. Gracias.
Anda ... alégrame el dí­a ....

Avatar de Usuario
marauder
.30-06
.30-06
Mensajes: 564
Registrado: 15 Dic 2010 22:36
Contactar:
Estado: Desconectado

Re: AYUDA CON PALANQUERA WINCHESTER 9422 XTR!!!

Mensajepor marauder » 24 Jul 2015 11:36

Hola

Yo compré una vez un repuesto de Norinco En A. Sichling. Creo que se escribe así.


Un saludo y suerte.

Avatar de Usuario
Invitado
.300 Win Mag
.300 Win Mag
Mensajes: 1873
Registrado: 09 May 2010 11:42
Ubicación: Dos Hermanas ( Sevilla )
Contactar:
Estado: Desconectado

Re: AYUDA CON PALANQUERA WINCHESTER 9422 XTR!!!

Mensajepor Invitado » 26 Jul 2015 01:00

Llana este es el despiece de la norinco copia literal de la tuya, cuando tenga que pedir repuestos para mi Winchester y no haya, pediré la pieza de norinco y si hay que lijar un poco pues se hace.

Como muchas armerías venden la norinco, muchas armerías te pueden pedir piezas de repuesto.

saludos
Adjuntos
Necesito la uña extractora para devolver a la vida a mi querida carabina  palanquera del 22 Winchester 110

ZKM581
9mm Parabellum
9mm Parabellum
Mensajes: 66
Registrado: 29 Jun 2007 04:01
Contactar:
Estado: Desconectado

Re: AYUDA CON PALANQUERA WINCHESTER 9422 XTR!!!

Mensajepor ZKM581 » 26 Jul 2015 12:24

Invitado: Tu consejo es de sentido común (el menos común de los sentidos), no tiene explicación, al parecer, que no se lo hayan aconsejado los armeros consultados.

Avatar de Usuario
CHRISTOPHE
375 HH Magnum
375 HH Magnum
Mensajes: 4960
Registrado: 16 Ago 2007 12:01
Ubicación: ANDORRA
Contactar:
Estado: Desconectado

Re: AYUDA CON PALANQUERA WINCHESTER 9422 XTR!!!

Mensajepor CHRISTOPHE » 26 Jul 2015 16:08

ZKM581 escribió:Invitado: Tu consejo es de sentido común (el menos común de los sentidos), no tiene explicación, al parecer, que no se lo hayan aconsejado los armeros consultados.


desde luego, anda que por una piecesita de nada, cuesta tanto..

Avatar de Usuario
llana7
.300 Win Mag
.300 Win Mag
Mensajes: 1868
Registrado: 04 Nov 2010 17:05
Ubicación: GUNSITE
Contactar:
Estado: Desconectado

Re: AYUDA CON PALANQUERA WINCHESTER 9422 XTR!!!

Mensajepor llana7 » 27 Jul 2015 13:43

Sí compañeros, gracias por las aportaciones, pero pieza de Norinco ya se ha intentado sin éxito.
Anda ... alégrame el dí­a ....

Avatar de Usuario
CHRISTOPHE
375 HH Magnum
375 HH Magnum
Mensajes: 4960
Registrado: 16 Ago 2007 12:01
Ubicación: ANDORRA
Contactar:
Estado: Desconectado

Re: AYUDA CON PALANQUERA WINCHESTER 9422 XTR!!!

Mensajepor CHRISTOPHE » 27 Jul 2015 16:05

Majo, con toda la información que te hemos dado y no encuentras nada, cuelga la encima
de la chimenea, y comprate otra... :wink:

saludos..

Avatar de Usuario
CHRISTOPHE
375 HH Magnum
375 HH Magnum
Mensajes: 4960
Registrado: 16 Ago 2007 12:01
Ubicación: ANDORRA
Contactar:
Estado: Desconectado

Re: AYUDA CON PALANQUERA WINCHESTER 9422 XTR!!!

Mensajepor CHRISTOPHE » 27 Jul 2015 16:20

Mira en esta casa, seguro que lo hay. diría, vamos por huev..

https://browning.eu/catalogues/2015/win2015es/


https://browning.eu/map/index.php?action ... S&type=mok

un saludo.

Avatar de Usuario
llana7
.300 Win Mag
.300 Win Mag
Mensajes: 1868
Registrado: 04 Nov 2010 17:05
Ubicación: GUNSITE
Contactar:
Estado: Desconectado

Re: AYUDA CON PALANQUERA WINCHESTER 9422 XTR!!!

Mensajepor llana7 » 27 Jul 2015 19:18

CHRISTOPHE escribió:Majo, con toda la información que te hemos dado y no encuentras nada, cuelga la encima
de la chimenea, y comprate otra... :wink:

saludos..


De momento es lo que estoy haciendo, colgarla encima de la chimenea, ¡qué remedio! :| (miraré en la página que me pones) ... agradezco la buena intención de los compañeros, pero insisto, si alguien sabe de alguna web americana que envíe repuestos a España... me temo que va a ser la solución.
Anda ... alégrame el dí­a ....


Volver a “Rifles y Carabinas de Precisión”

¿Quién está conectado?

Usuarios navegando por este Foro: No hay usuarios registrados visitando el Foro y 83 invitados