Busco donde poder consultar un plano de los llamados , creo, explosivos de la Astra 300.
Gracias y saludos
plano Astra 300
- LudicaGlock
- .44 Magnum

- Mensajes: 163
- Registrado: 28 Ago 2015 02:32
- Contactar:
- Estado: Desconectado
Re: plano Astra 300
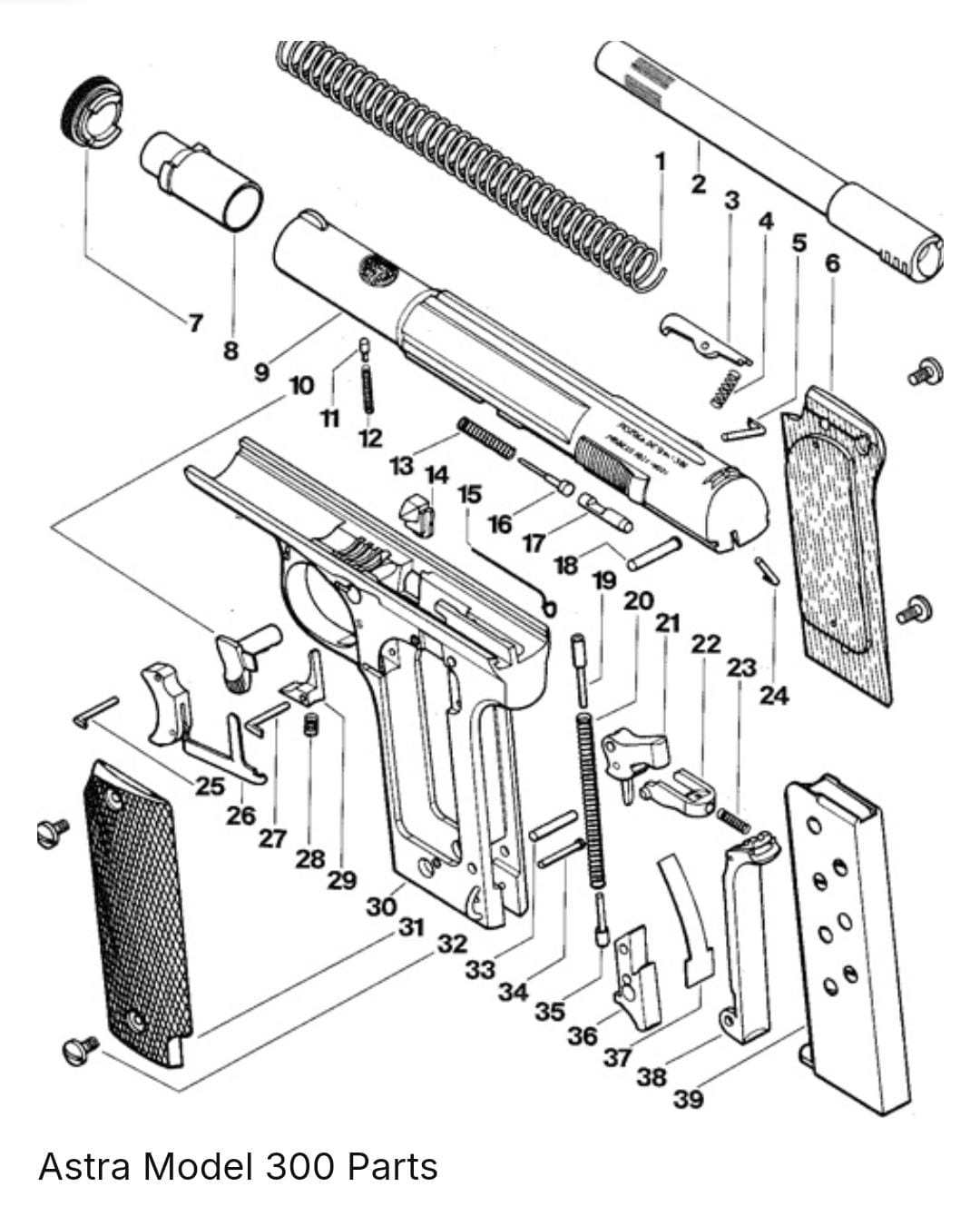
Hola. Por si te vale. Es un Astra 400 en 9x19. La 300 era en 9 corto, pero el plano es el mismo.
- Adjuntos
-
- Astra 300-400.pdf
- (298.14 KiB) Descargado 73 veces

- kikeformad
- 375 HH Magnum

- Mensajes: 4388
- Registrado: 13 Ago 2011 12:26
- Contactar:
- Estado: Desconectado
Re: plano Astra 300
LudicaGlock escribió:Hola. Por si te vale. Es un Astra 400 en 9x19. La 300 era en 9 corto, pero el plano es el mismo.
Astra 400 en 9pb?? Creo que la primera fue la Astra 600, la Astra 400 es en 9 largo.
Socio 0208 Anarma
Re: plano Astra 300
Gracias a todos, por supuesto que me vale. Ahora a arriesgarse a desmontarla uno mismo, con esa gracia especial con la que estoy dotado para la mecánica. Siempre estaré a tiempo de llevarla al armero para que me la monte. Sabéis de algún tutorial de YouTube u otro medio para esta arma?
- LudicaGlock
- .44 Magnum

- Mensajes: 163
- Registrado: 28 Ago 2015 02:32
- Contactar:
- Estado: Desconectado
Re: plano Astra 300
kikeformad escribió:LudicaGlock escribió:Hola. Por si te vale. Es un Astra 400 en 9x19. La 300 era en 9 corto, pero el plano es el mismo.
Astra 400 en 9pb?? Creo que la primera fue la Astra 600, la Astra 400 es en 9 largo.
Dios como ando........... *9x23* y puse 9x19. Mis disculpas....... la edad no me perdona

- LudicaGlock
- .44 Magnum

- Mensajes: 163
- Registrado: 28 Ago 2015 02:32
- Contactar:
- Estado: Desconectado
Re: plano Astra 300
Esfinge escribió:Gracias a todos, por supuesto que me vale. Ahora a arriesgarse a desmontarla uno mismo, con esa gracia especial con la que estoy dotado para la mecánica. Siempre estaré a tiempo de llevarla al armero para que me la monte. Sabéis de algún tutorial de YouTube u otro medio para esta arma?
https://www.google.com/search?q=turorial+desmontar+astra+300&oq=turorial+desmontar+astra+300&gs_lcrp=EgZjaHJvbWUyBggAEEUYOTIJCAEQIRgKGKABMgkIAhAhGAoYoAEyCQgDECEYChigATIJCAQQIRgKGKAB0gEJODQwMmowajE1qAIIsAIB&sourceid=chrome&ie=UTF-8#fpstate=ive&vld=cid:5c5ae17a,vid:r5bdUQq3-lc,st:0
https://www.google.com/search?q=turorial+desmontar+astra+300&oq=turorial+desmontar+astra+300&gs_lcrp=EgZjaHJvbWUyBggAEEUYOTIJCAEQIRgKGKABMgkIAhAhGAoYoAEyCQgDECEYChigATIJCAQQIRgKGKAB0gEJODQwMmowajE1qAIIsAIB&sourceid=chrome&ie=UTF-8#fpstate=ive&vld=cid:4dd05408,vid:HyuvV_Dzigw,st:0
Solo hay que copiar y pegar en la barra de escritura de la web.

-
Fernando72
- .300 Win Mag

- Mensajes: 1151
- Registrado: 05 Abr 2008 02:01
- Contactar:
- Estado: Desconectado
Re: plano Astra 300
El foro no defrauda nunca, muchas gracias a todos de nuevo. Os comento el porque de necesitar el plano. Ayer por la mañana en la galería observe que de dos cargadores , en 3 o 4 ocasiones la bala no entraba en su totalidad en recamara, este hecho no se si fue simple casualidad, igual no hice el grip bien al momento de recargarla o fue un síntoma de que algo iba a fallar. Y efectivamente fallo. Al apretar el disparador no se efectuó el disparo.En la mesa de tiro saco cargador , extraigo bala de la recámara y por pura casualidad veo un pasador que , obviamente ha caído de la pistola. . Gracias a vuestros planos , deduzco que es el número 19 de la última foto que pasa Fernando. El pasador de aguja percutor, creo recordar. . que se llama asi. Ahora entenderéis que quiero ese plano para saber donde va cada pieza que iré desmontando, creo que empezare por el conjunto aguja percutor a ver si me aclaro y encuentro el fallo y el porqué de que se cayera solito el pasador .
Re: plano Astra 300
Solucionado !! El problema era que la aguja percutora se había partido. He podido solucionar el problema gracias al gran numero de recambios que el anterior propietario me regalo amablemente al venderme la pistola, a vuestras indicaciones y a un excelente canal , sobre toto para los que tenemos Astras puros, que he descubierto que se llama JACA. Muy recomendable
¿Quién está conectado?
Usuarios navegando por este Foro: No hay usuarios registrados visitando el Foro y 29 invitados
