Es una parte de la carabina, por donde sale el aire a presión, que empuja al balin, una pieza fija, o cambiable, una especie de arandela, sin mayores tecnologías, con un agujero, justo detrás del balin. Las medidas diámetro, varían dependiendo de la potencia, y van desde cerca de los 2 mm, hasta los 4,5 mm, o un poco mas. En realidad, eso, ya viene mas que probado de fabrica, y no necesita mucha mas atención, que saber lo que es, y donde esta. En las resorteras, lo ves a simple vista, pues el el agujero por donde sale el aire, no tiene mas ciencia, salvo que quieras meterte en berenjenales, y en resorteras, es muy facil cargarse la cámara, pues es un simple taladro en el cuerpo de la cámara. En pcp, no suelen verse a simple vista, pues va oculto por el sistema de armado, o de carga, y en la gran mayoría, suele ser una pieza intercambiable, una arandela gruesa de metal, o material sintético......
Saludos.
Transfer o puerto de transferencia
- manolosolo
- .50 Bmg

- Mensajes: 17996
- Registrado: 02 Ene 2009 06:01
- Ubicación: Galicia
- Contactar:
- Estado: Desconectado
Re: Transfer o puerto de transferencia
Melo6878 escribió:Transfer o puerto de transferencia,ultimamente estoy leyendo bastante sobre este tema y tengo algunas preguntas.
Me imagino que es el casquillo por donde pasa el aire del cilindro al cañón.
Esto se compra en una armería por diferentes medidas.
Se le encarga su fabricación a un tornero o armero según medidas.
Existen unas medidas preestablecidas, agujero de paso de aire es igual a mas o menos potencia.
Se lo tiene que fabricar uno mismo.
Es complicado su instalación.
Amigo Melo,en un rifle PCP el puerto de transferencia ( o "transfer port" ) es un conducto en el cuerpo (o "breech") del arma que comunica la cámara de disparo con la recámara del cañón. Su función es permitir el paso del aire de una a otra en el momento del disparo,según puedes ver en este esquema:
Habitualmente este conducto está ocupado por un casquillo metálico ( latón, aluminio...) o plástico ( teflon, delrin...),conocido como "transfer port sleeve"...o simplemente "transfer". Con forma más o menos cilíndrica, de unos 7x7mm aprox. de cotas exteriores,tiene el interior hueco,con una luz cuyo diámetro es al que nos referimos cuando se habla de "diámetro del tránsfer". Te adjunto imágenes de varios tipos:
Este diámetro tiene como límite máximo el calibre del cañón, y como mínimo, el necesario para permitir un caudal acorde tanto con la presión de la cámara de disparo ( determinada por la tensión del resorte del regulador ) como con el tiempo de apertura de la válvula de disparo ( determinado por la tensión del muelle del martillo ). En un arma bien ajustada,debe haber una adecuada proporción entre el diámetro de su tránsfer y esos reglajes de martillo más regulador, habiendo varias fórmulas matemáticas que correlacionan esos tres parámetros. Porque en cada arma,y para cada posible pareja de ajuste
regulador-martillo existe UN diámetro óptimo de tránsfer,que proporciona la máxima energía de boca con el mínimo consumo de aire. Por encima y por debajo de ese diámetro óptimo,la energía de boca decaerá, siempre,lo que obligaría a incrementar las cifras de reglaje para recuperarla, con el consiguiente aumento en el gasto de aire. Es decir, que en un arma de aire, el aumentar el diámetro de su tránsfer no siempre se acompañará de un aumento de potencia.
Algunos ( muy pocos...) modelos recientes ,de tránsfer variable,llevan una rueda externa para que el usuario pueda modificar este diámetro, según los ajustes de regulador y martillo que en cada momento establezca en su arma. Como ejemplo, esta reciente FX Crown presentada en la IWA hace apenas 3 semanas, con sus 2 ruedas laterales para ajuste de tránsfer y martillo, más la tercera rueda ,inferior, para reglaje del regulador.
En todas los demás, este diámetro es fijo,determinado por el fabricante según la potencia establecida en ese arma. Por lo que si el usuario quisiera modificar de modo sustancial dicha potencia, deberá igualmente cambiar el tránsfer de origen por otro del diámetro adecuado.
Algunos fabricantes y/o armeros de tunning ofrecen catálogo con dos o más diámetros posibles, como ves aquí:
Y de no haber esa oferta, le toca al usuario el fabricárselos, y encontrar el óptimo a base de ensayo y error. Como también ves aquí:
Bien, compañero, esto es todo lo que se me ocurre sobre el tema. Espero que te haya aclarado las dudas, y te sirva de guía si en un futuro decidieses customizar tu arma....como hacemos todos los que no nos conformamos con los reglajes comerciales de origen.
Un cordial saludo.
Última edición por gerbaro el 01 Abr 2017 00:22, editado 1 vez en total.
- manolosolo
- .50 Bmg

- Mensajes: 17996
- Registrado: 02 Ene 2009 06:01
- Ubicación: Galicia
- Contactar:
- Estado: Desconectado
Re: Transfer o puerto de transferencia
(\__/)
(='-'=)
(") _ (")
Bonito relato corto e ilustrado, para describir lo que es una arandela gorda, con un agujero en medio.....
Saludos.
(='-'=)
(") _ (")
Bonito relato corto e ilustrado, para describir lo que es una arandela gorda, con un agujero en medio.....
Saludos.
Re: Transfer o puerto de transferencia
Gerbaro, no es cierto que "en las mas recientes" ni "en en todas las demas es fijo"
Las antiguas AA s400 (ahora llamadas s500) ya tenían la ruedecita.
O al menos la mía la tiene
Las antiguas AA s400 (ahora llamadas s500) ya tenían la ruedecita.
O al menos la mía la tiene
- manolosolo
- .50 Bmg

- Mensajes: 17996
- Registrado: 02 Ene 2009 06:01
- Ubicación: Galicia
- Contactar:
- Estado: Desconectado
Re: Transfer o puerto de transferencia
Las mas recientes, también traen ajuste para la junta de la trocola y el condensador de fluzo........
Ya me empiezo a sentir algo gilipollas, por que me conformo tal como vienen las escopetillas de mil pavos de fabrica, y solo me preocupo de repararlas, si tienen una avería...... bueno, igual tengo cosas mas importantes que hacer, que sacar rendimientos alucinantes, con gastos increíblemente mínimos de aire, que menos mal que es aire, y no gasolina, éter, metanol, hidrógeno, o cosas mas caras todavía como uranio o plutonio, y mira, que en el fondo, hasta se me da bien.....bueno, cuando me compre el torno y la fresadora cnc, igual me pongo mas de lleno a ello, porque con unos destornilladores, un martillo, un alicates, y una lima, por muchas ganas y ansias que tengas de hacer tuneos sofisticados, bien poco vas a hacer, aunque mejor, pasar el rato haciéndolo, que en el bar, tomando cervezas con viejos cazadores......total, si sale mal, se pone a la venta, y se le endosa a otro el marrón, y asunto arreglado.....
Gerbaro, a ver cuando nos ilustras e impresionas con los magníficos, deslumbrantes y extraordinarios tuneos de tu BSA, porque mucho hablar de otras carabinas ajenas, pero, de la tuya, ni mu......bueno, igual es para que no se enteren los ingenieros de Gamo, y te fusilen las ideas, que no seria la primera vez que ocurren casos así, seguro que nos sorprendes con tu faceta y pericia de armero. Tu, debes tener seguramente, unos paléts de muelles varios, pues recomiendas cambiarlos, si se han apretado a tope, el del martillo, un par de veces, que pierden facultades mecánicas, es que cada vez, fabrican muelles mas flojos y esmirriados, y siempre es bueno, tener repuesto a mano....
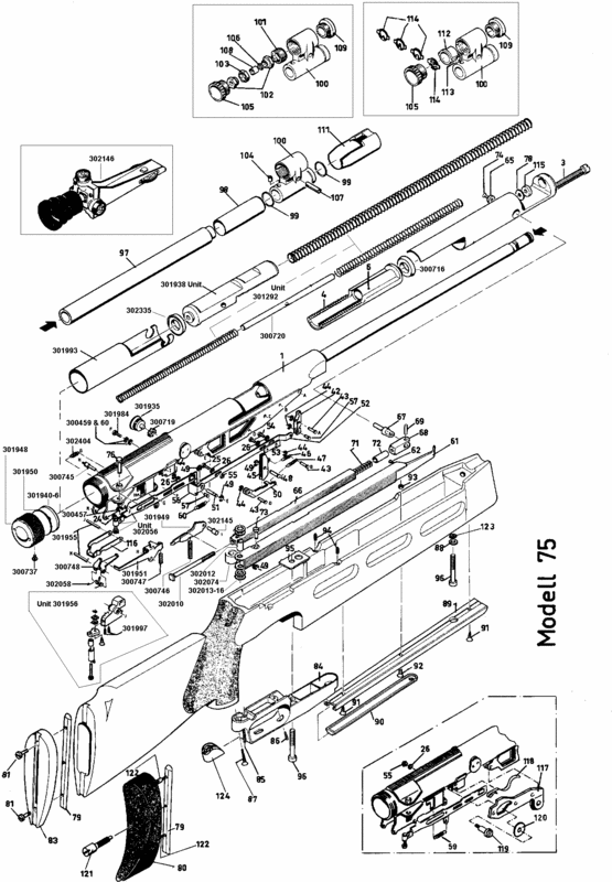
Bueno, te dejo una foto de lo ultimo que yo, he reparado, que ya falta le hacia, desde luego, y muy satisfactoriamente por cierto, y es una escopetilla, que en Spain, se cuentan con los dedos de una mano, y sobran, los que se atreven a meterle mano, y no acaban con un montonazo de piezas extrañas dentro de una caja. La foto del despiece, sacada de la web, es la del modelo "fácil", la mía, es la T01, mas complicada y liante aun........tu seguro que en un par de horas, armarías ese puzle, a que si????, pan comido........como anécdota, hasta lleva muelles de platillo, cerca de 60 discos, pero no tiene regulador, 10 o 12 ejes pasadores con circlip, como otros tantos, o mas, muelles de todo tipo y forma, grandes, medianos, pequeños, engranajes, 2 fiadores, 2 pistones, etc, etc, etc, en fin, que va sobrada......
Saludos.
Ya me empiezo a sentir algo gilipollas, por que me conformo tal como vienen las escopetillas de mil pavos de fabrica, y solo me preocupo de repararlas, si tienen una avería...... bueno, igual tengo cosas mas importantes que hacer, que sacar rendimientos alucinantes, con gastos increíblemente mínimos de aire, que menos mal que es aire, y no gasolina, éter, metanol, hidrógeno, o cosas mas caras todavía como uranio o plutonio, y mira, que en el fondo, hasta se me da bien.....bueno, cuando me compre el torno y la fresadora cnc, igual me pongo mas de lleno a ello, porque con unos destornilladores, un martillo, un alicates, y una lima, por muchas ganas y ansias que tengas de hacer tuneos sofisticados, bien poco vas a hacer, aunque mejor, pasar el rato haciéndolo, que en el bar, tomando cervezas con viejos cazadores......total, si sale mal, se pone a la venta, y se le endosa a otro el marrón, y asunto arreglado.....
Gerbaro, a ver cuando nos ilustras e impresionas con los magníficos, deslumbrantes y extraordinarios tuneos de tu BSA, porque mucho hablar de otras carabinas ajenas, pero, de la tuya, ni mu......bueno, igual es para que no se enteren los ingenieros de Gamo, y te fusilen las ideas, que no seria la primera vez que ocurren casos así, seguro que nos sorprendes con tu faceta y pericia de armero. Tu, debes tener seguramente, unos paléts de muelles varios, pues recomiendas cambiarlos, si se han apretado a tope, el del martillo, un par de veces, que pierden facultades mecánicas, es que cada vez, fabrican muelles mas flojos y esmirriados, y siempre es bueno, tener repuesto a mano....
Bueno, te dejo una foto de lo ultimo que yo, he reparado, que ya falta le hacia, desde luego, y muy satisfactoriamente por cierto, y es una escopetilla, que en Spain, se cuentan con los dedos de una mano, y sobran, los que se atreven a meterle mano, y no acaban con un montonazo de piezas extrañas dentro de una caja. La foto del despiece, sacada de la web, es la del modelo "fácil", la mía, es la T01, mas complicada y liante aun........tu seguro que en un par de horas, armarías ese puzle, a que si????, pan comido........como anécdota, hasta lleva muelles de platillo, cerca de 60 discos, pero no tiene regulador, 10 o 12 ejes pasadores con circlip, como otros tantos, o mas, muelles de todo tipo y forma, grandes, medianos, pequeños, engranajes, 2 fiadores, 2 pistones, etc, etc, etc, en fin, que va sobrada......
Saludos.
Re: Transfer o puerto de transferencia
gerbaro escribió:Melo6878 escribió:Transfer o puerto de transferencia,ultimamente estoy leyendo bastante sobre este tema y tengo algunas preguntas.
Me imagino que es el casquillo por donde pasa el aire del cilindro al cañón.
Esto se compra en una armería por diferentes medidas.
Se le encarga su fabricación a un tornero o armero según medidas.
Existen unas medidas preestablecidas, agujero de paso de aire es igual a mas o menos potencia.
Se lo tiene que fabricar uno mismo.
Es complicado su instalación.
Amigo Melo,en un rifle PCP el puerto de transferencia ( o "transfer port" ) es un conducto en el cuerpo (o "breech") del arma que comunica la cámara de disparo con la recámara del cañón. Su función es permitir el paso del aire de una a otra en el momento del disparo,según puedes ver en este esquema:
Habitualmente este conducto está ocupado por un casquillo metálico ( latón, aluminio...) o plástico ( teflon, delrin...),conocido como "transfer port sleeve"...o simplemente "transfer". Con forma más o menos cilíndrica, de unos 7x7mm aprox. de cotas exteriores,tiene el interior hueco,con una luz cuyo diámetro es al que nos referimos cuando se habla de "diámetro del tránsfer". Te adjunto imágenes de varios tipos:
Este diámetro tiene como límite máximo el calibre del cañón, y como mínimo, el necesario para permitir un caudal acorde tanto con la presión de la cámara de disparo ( determinada por la tensión del resorte del regulador ) como con el tiempo de apertura de la válvula de disparo ( determinado por la tensión del muelle del martillo ). En un arma bien ajustada,debe haber una adecuada proporción entre el diámetro de su tránsfer y esos reglajes de martillo más regulador, habiendo varias fórmulas matemáticas que correlacionan esos tres parámetros. Porque en cada arma,y para cada posible pareja de ajuste
regulador-martillo existe UN diámetro óptimo de tránsfer,que proporciona la máxima energía de boca con el mínimo consumo de aire. Por encima y por debajo de ese diámetro óptimo,la energía de boca decaerá, siempre,lo que obligaría a incrementar las cifras de reglaje para recuperarla, con el consiguiente aumento en el gasto de aire. Es decir, que en un arma de aire, el aumentar el diámetro de su tránsfer no siempre se acompañará de un aumento de potencia.
Algunos ( muy pocos...) modelos recientes ,de tránsfer variable,llevan una rueda externa para que el usuario pueda modificar este diámetro, según los ajustes de regulador y martillo que en cada momento establezca en su arma. Como ejemplo, esta reciente FX Crown presentada en la IWA hace apenas 3 semanas, con sus 2 ruedas laterales para ajuste de tránsfer y martillo, más la tercera rueda ,inferior, para reglaje del regulador.![]()
En todas los demás, este diámetro es fijo,determinado por el fabricante según la potencia establecida en ese arma. Por lo que si el usuario quisiera modificar de modo sustancial dicha potencia, deberá igualmente cambiar el tránsfer de origen por otro del diámetro adecuado.
Algunos fabricantes y/o armeros de tunning ofrecen catálogo con dos o más diámetros posibles, como ves aquí:
Y de no haber esa oferta, le toca al usuario el fabricárselos, y encontrar el óptimo a base de ensayo y error. Como también ves aquí:.
Bien, compañero, esto es todo lo que se me ocurre sobre el tema. Espero que te haya aclarado las dudas, y te sirva de guía si en un futuro decidieses customizar tu arma....como hacemos todos los que no nos conformamos con los reglajes comerciales de origen.
Un cordial saludo.
Así si Gerbaro, muy buena descripción y exposición.
No te estarás viendo con alguno de letras, eh?
Tuve un profesor de Física, de lo mejorcito que he conocido, que antes de plantar ninguna fórmula o teoría en la pizarra dibujaba un esquema suscitando un problema de lo más común para la vida cotidiana como dos trenes que circulan por la misma vía y no lo saben, una pieza que cae del octavo piso, un obús disparado hacia su destino...
Y suscitado el problema, nos daba las herramientas para encontrar la solución, y las fórmulas entraban como la cerveza fresquita.
Las letras, números y otros signos son muy útiles, pero difíciles de juntar, leer e interpretar. Los esquemas, los monigotes, las flechas de dirección y símbolos nos permiten acceder a conceptos aparentemente complejos a todas las mentes, incluida la mía.
Por eso, tu amigo Pascual y tu estabais muy equivocados en este tema.
Utiliza como indicador de tu éxito en esta exposición lo laborioso de las criticas de tus más asiduos lectores.
Un placer de nuevo leer tus posts, pero con esquemas más placer.
Si comienza uno con certezas, terminará con dudas; más si acepta empezar con dudas, llegará a terminar con certezas.
Re: Transfer o puerto de transferencia
Melo6878 escribió:Después de leer el post; https://www.armas.es/foros/ac-general/c ... 3218063,me entro la curiosidad de que eran los transfer y para que servían,busque un poco mas por internet y encontré un articulo muy interesantes a alguien le interesa dejare el link.
https://airecomprimido.webcindario.com/at44/
La verdad es que es una lectura muy interesante, te atrapa y estas deseando llegar al final para saber el desenlace.
Buen aporte Melo
El colega de la Hatsan ha hecho una magnifica redacción, paso a paso, manteniendo como dices la atención del lector.
Es mejor escribiendo que eligiendo su carabina.
Aunque si ya sabía todo eso que se ha encontrado, pues... es harina de otro costal.
Aunque nunca querrá medirse con las "suecas".
Saludos
Un hilo interesante.
Si comienza uno con certezas, terminará con dudas; más si acepta empezar con dudas, llegará a terminar con certezas.
Re: Transfer o puerto de transferencia
fedello escribió:Gerbaro, no es cierto que "en las mas recientes" ni "en en todas las demas es fijo"
Las antiguas AA s400 (ahora llamadas s500) ya tenían la ruedecita.
O al menos la mía la tiene
Sí, Fedello, tienes razón. En efecto, la última serie de S400 ,y que es la que tú refieres tener,lleva la conocida rueda de estrangulación del paso de aire de la cámara de disparo al puerto de transferencia que comentas....., pero no así la primera serie, por lo que no puede considerarse un sistema "antiguo". Verás.
No sé cuando se inició la producción de este arma, pero así "a ojo", lo sitúo sobre el 2004-2005. Esta primera serie no llevaba sistema de regulación alguno,entregaba la potencia " a piñón fijo", según el muelle de martillo instalado (hay 3 referencias ) ,con consistencia mediocre
y autonomía baja.
Bastante tiempo después, sale una segunda versión con el famoso tornillo T10 en el lateral del breech,que precisaba de un destornillador Torx específico para moverlo. Los usuarios de entonces actuaban alegremente sobre este tornillo, en el convencimiento de que estaban modificando con ello el comportamiento del arma....., sin percatarse de que hay que desatornillarlo por completo .Y de que una vez extraído, en el fondo de su alojamiento, hay un pequeño 2º tornillo de cabeza Allen, actuando sobre el cual ,ahora sí, se puede estrangular el paso de aire apretándolo a tope( sobre 16J), o "des-girarlo" 2 vueltas
( más, ya no hace nada ) para dejarla en potencia FAC, sin ninguna marca indicativa del reglaje obtenido. Este sistema se montaba únicamente en la versiónes FAC, la S de 16J no llevaba regulación alguna. Y de todo ésto, tanto la casa como los distribuidores no decían ni mu.,lo que explica el error de estos primeros usuarios.
Y en una tercera serie,sobre el 20012-13 ,sale la última versión de S400, la que tú tienes,que evita ya el engorro de la doble herramienta, con una rueda moleteada en la derecha del breech, y un extremo hendido en el lateral izqdo con 5 rayas de control, de (-) a (+),que es la que comentas. Rayas que hay que vigilar con frecuencia, ya que la rueda se gira fácilmente al menor roce. Y que es el sistema que actualmente trae la S500. Sistema que ,en sentido estricto , no se puede etiquetar realmente de "antiguo", como ves.
Y sistema de cuyo uso correcto la casa sigue sin decir ni mu . Porque aún cuando puede utilizarse perfectamente para subir o bajar la potencia del arma, la finalidad última de la rueda no es ésa exactamente. Y,a diferencia de la FX que ya comenté, como la AA no lleva regulador ni reglaje de muelle de martillo,al ser estos reglajes fijos, el punto óptimo de diámetro de tránsfer también lo es, en la 2ª raya a partir del (-). Por lo que no tendría sentido el incluir un sistema de tránsfer variable si su finalidad no fuese otra. Que la casa no explica en absoluto, pero que yo supongo que tú, como afortunado poseedor de esta magnífica arma, conoces ya perfectamente.
Considero muy interesante tu observación,Fedello,que ha dado pié a estos comentarios adicionales sobre el tema. De modo que ,por mi parte,agradezco sinceramente tu aportación a este hilo.
Recibe un cordial saludo.
Última edición por gerbaro el 04 Abr 2017 13:01, editado 2 veces en total.
Re: Transfer o puerto de transferencia
.Mili80 escribió:
Así si Gerbaro, muy buena descripción y exposición.
No te estarás viendo con alguno de letras, eh?
![]()
![]()
Tuve un profesor de Física, de lo mejorcito que he conocido, que antes de plantar ninguna fórmula o teoría en la pizarra dibujaba un esquema suscitando un problema de lo más común para la vida cotidiana como dos trenes que circulan por la misma vía y no lo saben, una pieza que cae del octavo piso, un obús disparado hacia su destino...![]()
Y suscitado el problema, nos daba las herramientas para encontrar la solución, y las fórmulas entraban como la cerveza fresquita.![]()
Las letras, números y otros signos son muy útiles, pero difíciles de juntar, leer e interpretar. Los esquemas, los monigotes, las flechas de dirección y símbolos nos permiten acceder a conceptos aparentemente complejos a todas las mentes, incluida la mía.
![]()
Por eso, tu amigo Pascual y tu estabais muy equivocados en este tema.![]()
Utiliza como indicador de tu éxito en esta exposición lo laborioso de las criticas de tus más asiduos lectores.![]()
Un placer de nuevo leer tus posts, pero con esquemas más placer.![]()
Amigo Mili, una alegría el verte de nuevo por aquí......,y un alivio, porque tu dilatada ausencia nos tenía preocupados a todos en casa. Agradezco tus amables palabras, y aprecio en lo que valen las observaciones de los demás foreros,que enriquecen el hilo y a todos benefician,a mí el primero.
Lamento no haber tenido la suerte que tú has tenido con ese astuto y pedagógico profe. Lamento también que mi preferencia, compartida por nuestro común amigo Pascual,sobre las letras aisladas en fórmulas algebraicas mejor que agupadas en palabras, no sea compartida igualmente por el resto del foro. Por lo que en futuras aportaciones, intentaré corregir esta inveterada inclinación mía, en aras de una mejor comprensión de lo expuesto, y de una más eficaz ayuda al compañero que plantée su duda. Y estoy seguro que a mí tampoco me faltará vuestra laboriosa ayuda para conseguirlo.
Amigo Mili, esta noche dormiré tranquilo al saber que ya estás por aquí. Y no tardes tanto en volver, porfa.
Un afectuoso saludo.
- manolosolo
- .50 Bmg

- Mensajes: 17996
- Registrado: 02 Ene 2009 06:01
- Ubicación: Galicia
- Contactar:
- Estado: Desconectado
Re: Transfer o puerto de transferencia
Pues, todo eso de transfers regulables y demas, sera lo mas novedoso, "in", y guay del Paraguay que sea, pero, a mi punto de vista, es otra chorrada inútil, moderna, que parece ser, deben tener todas las carabinas de postín, para encarecer todavía mas su precio......
A ver, para que, exactamente, necesita una carabina, un chisme, para variar su potencia????? Bueno, unos dirán, que para desde tirar en el pasillo de su casa, algo genial, y super diver, y hasta para poder tirar, a tropecientos mil metros, por ahí, en un monte lejano y perdido, mas genial todavía, pero nos damos cuenta, de que a cada modo de potencia, varia el punto de impacto, y debemos estar guarismando en el visor a cada vez que movemos una rayita del fabuloso mando de potencia, o claro, llevar un bloc, con todos los datos balísticos anotados, para cada potencia, pero, hete aquí, que en un visor corriente, mueves unos clicks en una dirección, y otros tantos en la contraria, y totalmente imposible, que quede tal como estaba, pues, en algún sitio estará la diferencia entre un visor de 150 €, y otro de 1.500 €, o me equivoco, y no es asi ????.......
O sea, que al final, es un "gadget", que chafullaras con él, el primer dia, Uffff, como mola, que sofisticacion, hasta que te des cuenta, de que es algo inútil, so pena de volverte pejo con el visor, y trataras de fijarlo en un sitio a tu gusto, seguramente, a maxima potencia
, como sea, para que no se mueva, nunca mas, y ahí, se ha acabado la historia.........
Saludos.
A ver, para que, exactamente, necesita una carabina, un chisme, para variar su potencia????? Bueno, unos dirán, que para desde tirar en el pasillo de su casa, algo genial, y super diver, y hasta para poder tirar, a tropecientos mil metros, por ahí, en un monte lejano y perdido, mas genial todavía, pero nos damos cuenta, de que a cada modo de potencia, varia el punto de impacto, y debemos estar guarismando en el visor a cada vez que movemos una rayita del fabuloso mando de potencia, o claro, llevar un bloc, con todos los datos balísticos anotados, para cada potencia, pero, hete aquí, que en un visor corriente, mueves unos clicks en una dirección, y otros tantos en la contraria, y totalmente imposible, que quede tal como estaba, pues, en algún sitio estará la diferencia entre un visor de 150 €, y otro de 1.500 €, o me equivoco, y no es asi ????.......
O sea, que al final, es un "gadget", que chafullaras con él, el primer dia, Uffff, como mola, que sofisticacion, hasta que te des cuenta, de que es algo inútil, so pena de volverte pejo con el visor, y trataras de fijarlo en un sitio a tu gusto, seguramente, a maxima potencia
Saludos.
Re: Transfer o puerto de transferencia
gerbaro escribió:.Mili80 escribió:
Así si Gerbaro, muy buena descripción y exposición.
No te estarás viendo con alguno de letras, eh?
![]()
![]()
Tuve un profesor de Física, de lo mejorcito que he conocido, que antes de plantar ninguna fórmula o teoría en la pizarra dibujaba un esquema suscitando un problema de lo más común para la vida cotidiana como dos trenes que circulan por la misma vía y no lo saben, una pieza que cae del octavo piso, un obús disparado hacia su destino...![]()
Y suscitado el problema, nos daba las herramientas para encontrar la solución, y las fórmulas entraban como la cerveza fresquita.![]()
Las letras, números y otros signos son muy útiles, pero difíciles de juntar, leer e interpretar. Los esquemas, los monigotes, las flechas de dirección y símbolos nos permiten acceder a conceptos aparentemente complejos a todas las mentes, incluida la mía.
![]()
Por eso, tu amigo Pascual y tu estabais muy equivocados en este tema.![]()
Utiliza como indicador de tu éxito en esta exposición lo laborioso de las criticas de tus más asiduos lectores.![]()
Un placer de nuevo leer tus posts, pero con esquemas más placer.![]()
Amigo Mili, una alegría el verte de nuevo por aquí......,y un alivio, porque tu dilatada ausencia nos tenía preocupados a todos en casa. Agradezco tus amables palabras, y aprecio en lo que valen las observaciones de los demás foreros,que enriquecen el hilo y a todos benefician,a mí el primero.
Lamento no haber tenido la suerte que tú has tenido con ese astuto y pedagógico profe. Lamento también que mi preferencia, compartida por nuestro común amigo Pascual,sobre las letras aisladas en fórmulas algebraicas mejor que agupadas en palabras, no sea compartida igualmente por el resto del foro. Por lo que en futuras aportaciones, intentaré corregir esta inveterada inclinación mía, en aras de una mejor comprensión de lo expuesto, y de una más eficaz ayuda al compañero que plantée su duda. Y estoy seguro que a mí tampoco me faltará vuestra laboriosa ayuda para conseguirlo.
Amigo Mili, esta noche dormiré tranquilo al saber que ya estás por aquí. Y no tardes tanto en volver, porfa.
Un afectuoso saludo.
Más alegría siento yo, amigo Gerbaro, pues he estado "en mantenimiento".
Me han cambiado una tórica que tenemos entre L4 y L5, que se había dañado después de tantos bombazos con la Hill.
Me he sentido muy bien al ver que, como buen ejemplar de Homo Sapiens Sapiens, has evolucionado hacia una nueva versión más gráfica y expositiva a la vez que breve y concisa.
Es lo natural.
Yo tampoco sabía muy bien lo que era ese Breench pero al ver que era lo mismo que el puerto de transferencia y habiendo desmontado en alguna ocasión la Lynx y recientemente la Colibrí, ya sospechaba que algo así ocurría.
Todavía no lo había buscado en Google, no me angustiaba esa porción de ignorancia propía.
Pero he aquí que lo has explicado tan bien que ya no lo tendré que buscar.
Recientemente, mi Colibrí empezó a tener un comportamiento extraño y me decidí a abrirla para investigar.
Desmonté el cañón y pude comprobar que la tórica que sella el cañón contra la aguja se había salido de su alojamiento.
Así que la puse en su sitio aderezada con un poco de grasa de silicona, limpié todas las piezas metálicas y las unté con aceite de oliva virgen extra -la Colibrí es muy pija-.
Ha vuelto a funcionar como siempre, aunque yo la noto más suave y complaciente.
La Lynx lleva esa tórica en la aguja empujadora, tuve que cambiarla pues perdía aire en cada disparo que soplaba cerca de mi mejilla y los impactos eran erráticos . Cambié la tórica que estaba deformada pero no acababa de ir bien, por lo que desmonté el cañón y la pieza dorada cuyo nombre desconocía y tras limpiar, engrasar y volver a montar, volvió a funcionar como cuando ambos eramos jóvenes.
La junta que lleva el cañón para sellar su contacto con el brech estaba sucia o no hacía buen sellado.
Así que tu explicación ha sido el mejor corolario para mis recientes experiencias airguneras.
Saludos y enhorabuena por tus mejorados aportes .
Última edición por Mili80 el 04 Abr 2017 10:44, editado 3 veces en total.
Si comienza uno con certezas, terminará con dudas; más si acepta empezar con dudas, llegará a terminar con certezas.
Re: Transfer o puerto de transferencia
manolosolo escribió:Pues, todo eso de transfers regulables y demas, sera lo mas novedoso, "in", y guay del Paraguay que sea, pero, a mi punto de vista, es otra chorrada inútil, moderna, que parece ser, deben tener todas las carabinas de postín, para encarecer todavía mas su precio......
A ver, para que, exactamente, necesita una carabina, un chisme, para variar su potencia????? Bueno, unos dirán, que para desde tirar en el pasillo de su casa, algo genial, y super diver, y hasta para poder tirar, a tropecientos mil metros, por ahí, en un monte lejano y perdido, mas genial todavía, pero nos damos cuenta, de que a cada modo de potencia, varia el punto de impacto, y debemos estar guarismando en el visor a cada vez que movemos una rayita del fabuloso mando de potencia, o claro, llevar un bloc, con todos los datos balísticos anotados, para cada potencia, pero, hete aquí, que en un visor corriente, mueves unos clicks en una dirección, y otros tantos en la contraria, y totalmente imposible, que quede tal como estaba, pues, en algún sitio estará la diferencia entre un visor de 150 €, y otro de 1.500 €, o me equivoco, y no es asi ????.......
O sea, que al final, es un "gadget", que chafullaras con él, el primer dia, Uffff, como mola, que sofisticacion, hasta que te des cuenta, de que es algo inútil, so pena de volverte pejo con el visor, y trataras de fijarlo en un sitio a tu gusto, seguramente, a maxima potencia, como sea, para que no se mueva, nunca mas, y ahí, se ha acabado la historia.........
Saludos.
Sin duda Manolosolo.
Pero aquí cabe otro punto de vista, el del fabricante que lector atento de todos los foros airguneros del globo, ve como los aficionados no paran de tocar todas y cada una de las partes de sus creaciones para aumentar o variar la potencia, la velocidad, el consumo de aire, el ruido, la apariencia...
Y su misión es fabricar aquello que sus potenciales clientes le piden. Por que no facilitarles las cosas, les evitamos que destripen las armas y les damos los botones y ruedas necesarias para variar los parámetros de éstas.
Con esta estrategia no sólo satisfacen a sus parroquias sino que también dejan obsoletas las armas que ya tienen, y que en ese afán -tan natural- de tener lo último nos incitan a adquirir las novedades que nos deslumbran.
Así que nutrimos el mercado de segunda mano y a por la carabina nueva.
El mundo del consumo.
En Mecánica la sencillez es sinónimo de fiabilidad, durabilidad y eficiencia, lo que se traduce en menos averías, menos mantenimiento y menos costes. Pero... las tendencias en los consumidores, cualificados o no, son las que mandan.
Hoy, sólo hay que asomarse a las redes sociales, a los foros, para ver lo que quiere el personal,... los fabricantes lo hacen. Saludos
Encantado de leer tus post
Si comienza uno con certezas, terminará con dudas; más si acepta empezar con dudas, llegará a terminar con certezas.
- manolosolo
- .50 Bmg

- Mensajes: 17996
- Registrado: 02 Ene 2009 06:01
- Ubicación: Galicia
- Contactar:
- Estado: Desconectado
Re: Transfer o puerto de transferencia
En la mayoría de casos de la vida, lo simple, suele ser eficaz, y si esta bien hecho, suele ser, fiable........estas dos premisas, son básicas para muchas cosas, y en el campo de las armas, pasa a ser algo imprescindible......
Pero claro, muchos, seguramente, no quieren comprarse una escopetilla eficaz, y fiable, para divertirse sin mayores consecuencias, si no, un laboratorio, para hacer análisis y experimentos en un ambiente controlado.......
Saludos.
Pero claro, muchos, seguramente, no quieren comprarse una escopetilla eficaz, y fiable, para divertirse sin mayores consecuencias, si no, un laboratorio, para hacer análisis y experimentos en un ambiente controlado.......
Saludos.
¿Quién está conectado?
Usuarios navegando por este Foro: No hay usuarios registrados visitando el Foro y 51 invitados


