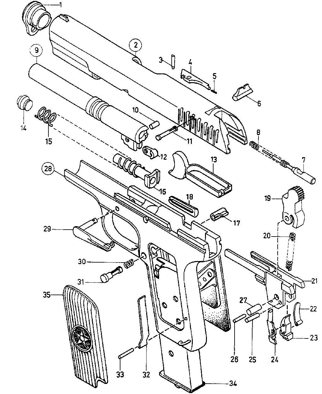
Hola, ¿qué muelle es el que da la fuerza al martillo para percutir correctamente? Hablo de la Tokarev TT33.
Gracias
martillo TT33
Re: martillo TT33
marroyol escribió:El número 20
Entonces, el 20. Gracias

Mis opiniones son personales y en nada se pueden vincular a la asociación Anarma y su imagen. Asociado número 257
Pro capacidad 3+0
Volver a “Reparaciones y Bricolaje”
¿Quién está conectado?
Usuarios navegando por este Foro: No hay usuarios registrados visitando el Foro y 118 invitados


