Hola compraría el retén de un cerrojo para un rifle Mauser 98
Quiero que esté en buen estado
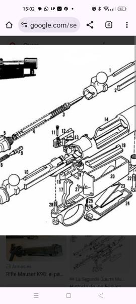
Es la pieza 11,12 y 13 de la foto
Por cierto si alguien sabe su nombre técnico si es tan amable que nos ilustre.
Gracias
COMPRO
Volver a “Militaria y Coleccionismo”
¿Quién está conectado?
Usuarios navegando por este Foro: No hay usuarios registrados visitando el Foro y 20 invitados


