Salud comunidad foril.
Necesito algunas piezas (ninguna fundamental por supuesto) para mi Mauser C96 del calibre 7,63x25, por lo que si alguien tiene algún despiece disponible le agradecería que se manifestase.
No se si me valdrían las de las Astras, ya que siendo copias de ésta tal vez sean compatibles.
También agradecería pistas para poder encontrarlas.
Muchas gracias por adelantado.
Un saludo, Patrone.
Busco despiece Mauser C96
- Komprasman
- 505 Gibbs

- Mensajes: 34522
- Registrado: 12 Mar 2008 12:01
- Ubicación: Flaviobriga.- Ciudad Bimilenaria.
- Contactar:
- Estado: Desconectado
Re: Busco despiece Mauser C96
Pónme un privado por favor.
Saludos cordiales.
Saludos cordiales.
No hay cosa más rica que rascar donde pica.-Refrán Español.
Re: Busco despiece Mauser C96
Hola Bonifacio.
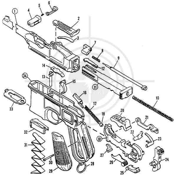
Pues concretamente busco las piezas con los números siguientes:
32, 31, 25, 22 y 20.
Ni siquiera intento nombrarlas porque salvo la teja elevadora y su muelle, del resto desconozco sus nombres, todavía no estoy muy familiarizado con esta pistola y la nomenclatura de sus piezas.
Muchas gracias y un saludo.
Pues concretamente busco las piezas con los números siguientes:
32, 31, 25, 22 y 20.
Ni siquiera intento nombrarlas porque salvo la teja elevadora y su muelle, del resto desconozco sus nombres, todavía no estoy muy familiarizado con esta pistola y la nomenclatura de sus piezas.
Muchas gracias y un saludo.
-
grizzly
- .300 Win Mag

- Mensajes: 1133
- Registrado: 17 Feb 2007 08:01
- Ubicación: Cádiz Trimilenaria
- Contactar:
- Estado: Desconectado
Re: Busco despiece Mauser C96
Dispongo de todas ellas y alguna más.
Si aún te interesan envíame un privado o contacta al 651629985.
Saludos
Si aún te interesan envíame un privado o contacta al 651629985.
Saludos
-
Mosin-1936
- .44 Magnum

- Mensajes: 113
- Registrado: 15 Ene 2015 14:16
- Ubicación: Navarra
- Contactar:
- Estado: Desconectado
Re: Busco despiece Mauser C96
Amigo Grizzly, muchas gracias por tu ayuda para encontrar unos muelles de refresco para mi C-96.
Un abrazo.
Un abrazo.
Volver a “Militaria y Coleccionismo”
¿Quién está conectado?
Usuarios navegando por este Foro: No hay usuarios registrados visitando el Foro y 6 invitados

