En mi caso tenía algo pendiente desde que me compré mi hw77 hace un tiempo de segunda mano, y era dejar el gatillo a mi gusto, ya que el anterior dueño lo tenía ajustado demasiado al pelo, que es como está ahora mismo.
Básicamente el gatillo está ajustado de tal manera que no hay ni primer tiempo, simplemente en cuanto pones el dedo y haces una presión mínima, se dispara. La verdad que es una delicia, pero para mi gusto y para ser mi primer gatillo rekord está demasiado fino y me gustaría dejarlo un pelín mas duro, pero sobretodo con un primer tiempo que se note, para que sea más predecible y menos peligroso.
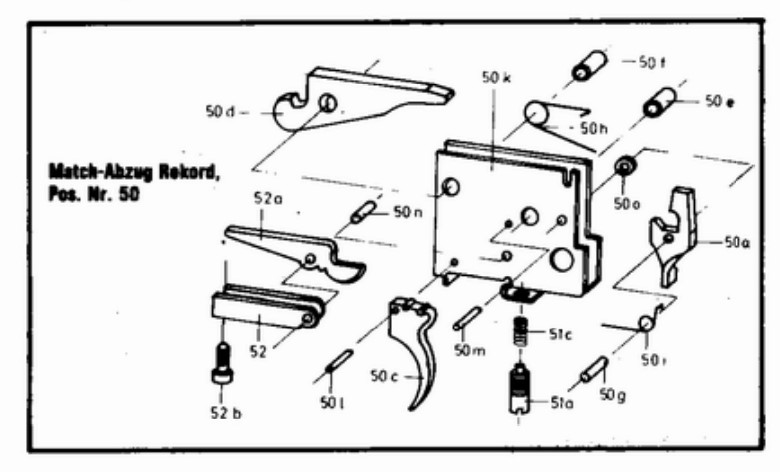
He estado buscando info en la red sobre el ajuste de este gatillo y para mi sorpresa no he encontrado gran cosa, y lo que he encontrado estaba en inglés y con el traductor no es que me haya quedado todo claro. Así que antes de toquetear nada y dejarlo peor, prefiero exponer el tema aquí en el foro, ya que sé que muchos de vosotros tenéis carabinas Weihrauch en vuestros armeros.
Me ha quedado claro que el tornillo grande, el de aluminio que es visible sin desmontar la culata, es el que regula la presión del gatillo. Si lo giras a derechas aumentas la presión, y si lo giras a izquierdas lo dejas más flojo. Hasta aquí todo claro.
Ahora viene lo que yo quiero dejar más a mi gusto, que es el recorrido del primer tiempo, y por lo que he leído se hace con un pequeño tornillo torx que para tocarlo hay que desmontar la culata ya que no queda visible.
Imagino que girando este tornillo en un sentido u otro darás más o menos recorrido al primer tiempo o etapa del gatillo, pero no me ha quedado muy claro si es así de simple o hay algún otro tipo de ajuste que estoy dejando pasar.
¿Algún compañero que tenga experiencia con su gatillo Rekord me puede corroborar que es así, o cualquier consejo o apunte al respecto? Siempre he sido de los que no les da apuro trastear y toquetear las cosas, pero para ser mi primer Rekord, y tratándose de algo tan delicado, prefiero preguntar antes de meter la pata.
Un saludo!!




