Entre el deber y el hacer hay un trecho
Entre el deber y el hacer hay un trecho
Realmente cuantos de vosotros habeis desmontado COMPLETAMENTE el arma para limpiar, engrasar y mantener?
Es decir cuidandola para evitar desgastes y averias?
Cada cuanto es aconsejable hacerlo? porque aunque tengas el despiece (dibujo del arma explosionada) y seas habil con los trabajo de relojeria... es un alto riesgo romper o perder algo, o no saber montarlo bien de nuevo. Entonces si es peor el remedio que la enfermedad.
Los argumentos de "mientras funcione no se toca", "limpiar mucho daña el arma", "nunca la limpie y nunca fallo", "si la limpias pierdes precision" etc bueno... no parecen ser validos
Es decir cuidandola para evitar desgastes y averias?
Cada cuanto es aconsejable hacerlo? porque aunque tengas el despiece (dibujo del arma explosionada) y seas habil con los trabajo de relojeria... es un alto riesgo romper o perder algo, o no saber montarlo bien de nuevo. Entonces si es peor el remedio que la enfermedad.
Los argumentos de "mientras funcione no se toca", "limpiar mucho daña el arma", "nunca la limpie y nunca fallo", "si la limpias pierdes precision" etc bueno... no parecen ser validos
- manolosolo
- .50 Bmg

- Mensajes: 17996
- Registrado: 02 Ene 2009 06:01
- Ubicación: Galicia
- Contactar:
- Estado: Desconectado
Re: Entre el deber y el hacer hay un trecho
Pero, es que resulta que a un arma de fuego, NO hace falta jamás "desmontarla completamente" para limpiarla, para nada!!!!!, porque basta y sobra, con meterla en una cuba con gasoil para eso, y darle con una brocha, solo se desmontan complemente, en caso de rotura de piezas, y solo cuando es necesario hacerlo, no se desmonta, por desmontar y pasar el rato, y ten por seguro, que mientras no le entre la corrosión y el oxido, a muy mal que cuides el arma, va a durar de lejos, bastante mas que tu, es puro acero, y nosotros, pasto de los gusanos............
Saludos.
Saludos.
Re: Entre el deber y el hacer hay un trecho
manolosolo escribió:Pero, es que resulta que a un arma de fuego, NO hace falta jamás "desmontarla completamente" para limpiarla, para nada!!!!!, porque basta y sobra, con meterla en una cuba con gasoil para eso, y darle con una brocha, solo se desmontan complemente, en caso de rotura de piezas, y solo cuando es necesario hacerlo, no se desmonta, por desmontar y pasar el rato, y ten por seguro, que mientras no le entre la corrosión y el oxido, a muy mal que cuides el arma, va a durar de lejos, bastante mas que tu, es puro acero, y nosotros, pasto de los gusanos............![]()
Saludos.

Re: Entre el deber y el hacer hay un trecho
manolosolo escribió:Pero, es que resulta que a un arma de fuego, NO hace falta jamás "desmontarla completamente" para limpiarla, para nada!!!!!, porque basta y sobra, con meterla en una cuba con gasoil para eso, y darle con una brocha, solo se desmontan complemente, en caso de rotura de piezas, y solo cuando es necesario hacerlo, no se desmonta, por desmontar y pasar el rato, y ten por seguro, que mientras no le entre la corrosión y el oxido, a muy mal que cuides el arma, va a durar de lejos, bastante mas que tu, es puro acero, y nosotros, pasto de los gusanos............![]()
Saludos.
Ole no te cambio ni un punto
Re: Entre el deber y el hacer hay un trecho
Yo desmonto lo normal para una limpieza basica despues del uso, en todo caso limpio el grupo del disparador si veo que tiene porqueria sin desmontarlo, pero si que voy a desmontar entera una carabina remington 597 porque la noto el disparador tosco y quiero repasar esa zona en especial.
Saludos
Saludos
Socio Anarma 1780
Re: Entre el deber y el hacer hay un trecho
manolosolo escribió:Pero, es que resulta que a un arma de fuego, NO hace falta jamás "desmontarla completamente" para limpiarla, para nada!!!!!, porque basta y sobra, con meterla en una cuba con gasoil para eso, y darle con una brocha, solo se desmontan complemente, en caso de rotura de piezas, y solo cuando es necesario hacerlo, no se desmonta, por desmontar y pasar el rato, y ten por seguro, que mientras no le entre la corrosión y el oxido, a muy mal que cuides el arma, va a durar de lejos, bastante mas que tu, es puro acero, y nosotros, pasto de los gusanos............![]()
Saludos.
Ok vale pero 2 cosas:
1. Un barreño de gasoil en un piso de la ciudad es poco viable
2. Y si hay polvillo dentro del mecansimo de disparo o de la tija del tambor de un revolver y va desgastando material? y si como dices hay oxido??? todo eso no lo sabes hasta que abres.
- manolosolo
- .50 Bmg

- Mensajes: 17996
- Registrado: 02 Ene 2009 06:01
- Ubicación: Galicia
- Contactar:
- Estado: Desconectado
Re: Entre el deber y el hacer hay un trecho
Bueno, quien dice gasoil, producto de muy fácil adquisición, con propiedades detergentes, lubricantes, desincrustantes, y anticorrosivo, tambien puedes usar cualquier otro producto mas profesional, como limpia motores, limpiador de frenos en spray, etc, etc, que no huele tanto, yo, es que tengo el taller en el trastero del edificio....
El oxido, normalmente siempre empieza por fuera, y es bastante raro que se oxide el interior de un arma, mucho mas protegido que su exterior......
Mucho mas complejo es el motor de un coche, y nadie lo desmonta para limpiarlo, ni siquiera los mecánicos, que solo desmontan lo suficiente para reparar la avería que tenga.....
No te preocupes tanto de la limpieza de un arma, con la habitual, tendrás arma para toda la vida.
Saludos.

El oxido, normalmente siempre empieza por fuera, y es bastante raro que se oxide el interior de un arma, mucho mas protegido que su exterior......
Mucho mas complejo es el motor de un coche, y nadie lo desmonta para limpiarlo, ni siquiera los mecánicos, que solo desmontan lo suficiente para reparar la avería que tenga.....
No te preocupes tanto de la limpieza de un arma, con la habitual, tendrás arma para toda la vida.
Saludos.

Re: Entre el deber y el hacer hay un trecho
En un libro Pablo Vilarroya, que es un veterano referente en el tema, dice que el desarme compmeto para limpieza de un aeba debe hacerse por lo menos anualmente. Y que si no estamos capacitados que lo haga un armero.
- Reincidente
- Usuario Baneado
- Mensajes: 3584
- Registrado: 22 Jul 2017 11:42
- Estado: Desconectado
Re: Entre el deber y el hacer hay un trecho
Para limpieza con el desarme básico basta y sobra, eso lo hago después de cada tirada.
Los desarmes completos los hago de vez en cuando, o cuando compro un arma para asegurarme de que está todo en su sitio, en buen estado, y sin excesos de lubricantes ni (horror) grasa. Siempre sabiendo lo que hago y con las herramientas adecuadas, no es cuestión de llevarle al armero una caja llena de piececitas.
Los desarmes completos los hago de vez en cuando, o cuando compro un arma para asegurarme de que está todo en su sitio, en buen estado, y sin excesos de lubricantes ni (horror) grasa. Siempre sabiendo lo que hago y con las herramientas adecuadas, no es cuestión de llevarle al armero una caja llena de piececitas.
Prius flammis combusta quam arma Numantia victa. 

- manolosolo
- .50 Bmg

- Mensajes: 17996
- Registrado: 02 Ene 2009 06:01
- Ubicación: Galicia
- Contactar:
- Estado: Desconectado
Re: Entre el deber y el hacer hay un trecho
Parece que estamos confundiendo un arma de fuego, algo con unos mecanismos bien robustos (la gran mayoria), bastantes simples, y de acero, muchos de ellos, forjados, mecanizados, y/o templados para tener mayor dureza, con un acelerador de partículas, una nave intergaláctica, o algo así muy complejo y supersofisticado....
Me pregunto, como armas de pedernal, del año de la polka, que limpiaban con un trapo sucio, y le echaban manteca de cerdo, han llegado impolutas a nuestros días......
Saludos.
Me pregunto, como armas de pedernal, del año de la polka, que limpiaban con un trapo sucio, y le echaban manteca de cerdo, han llegado impolutas a nuestros días......
Saludos.
Re: Entre el deber y el hacer hay un trecho
Personalmente después de cada uso, limpio el arma, sean 25 disparos o 200, limpio cañón, rampa, corredera, armazón, etc, engraso y monto.
Al menos 2 veces al año desmonto completamente para limpiar, normalmente 1 vez antes de iniciar la temporada de competiciones en abril/mayo y al finalizar el octubre.
Limpio y reviso que no tenga desperfectos.
Al menos 2 veces al año desmonto completamente para limpiar, normalmente 1 vez antes de iniciar la temporada de competiciones en abril/mayo y al finalizar el octubre.
Limpio y reviso que no tenga desperfectos.
a lo que tu llamas dolor y sufrimiento yo le llamo pasión y dedicación, cuando tu te rindes, yo comienzo...
- manolosolo
- .50 Bmg

- Mensajes: 17996
- Registrado: 02 Ene 2009 06:01
- Ubicación: Galicia
- Contactar:
- Estado: Desconectado
Re: Entre el deber y el hacer hay un trecho
Creo que alguno debería comprarse una Browning Auto 5, para practicar montajes y desmontajes....
Bueno, después de ver a alguno en el autolavado, limpiar las llantas del coche con un cepillo de dientes, ya nada me coge de sorpresa....
Además, por mi profesión, electromecánico, tengo clarísimo, que si algo funciona perfectamente, es porque no tiene ningún tipo de desperfecto, ya habrá tiempo de sobras de desmontar, cuándo SI tenga algún mal funcionamiento.
O igual, es que ya estoy aburrido de desmontar cosas, quien sabe....
Saludos.

Bueno, después de ver a alguno en el autolavado, limpiar las llantas del coche con un cepillo de dientes, ya nada me coge de sorpresa....
Además, por mi profesión, electromecánico, tengo clarísimo, que si algo funciona perfectamente, es porque no tiene ningún tipo de desperfecto, ya habrá tiempo de sobras de desmontar, cuándo SI tenga algún mal funcionamiento.
O igual, es que ya estoy aburrido de desmontar cosas, quien sabe....
Saludos.

Re: Entre el deber y el hacer hay un trecho
Así limpio yo las armas cada vez que voy al tiro
Re: Entre el deber y el hacer hay un trecho
Es broma! Eso sólo lo hago en casos extremos.
Con mantener los cañones, rampas de alimentación, cargadores, tambores y poco más limpios, y con una película de aceite por encima para evitar la oxidación y favorecer el buen funcionamiento mecánico, sobra.
- manolosolo
- .50 Bmg

- Mensajes: 17996
- Registrado: 02 Ene 2009 06:01
- Ubicación: Galicia
- Contactar:
- Estado: Desconectado
Re: Entre el deber y el hacer hay un trecho
Alamo81 escribió:Así limpio yo las armas cada vez que voy al tiro
Si tu crees que todas esas piezas se ensucian tanto, que necesitan una limpieza exhaustiva, por pegar unos tiros un sábado, porque no??? Mejor que estar en el bar levantando vidrio...
Saludos.

- manolosolo
- .50 Bmg

- Mensajes: 17996
- Registrado: 02 Ene 2009 06:01
- Ubicación: Galicia
- Contactar:
- Estado: Desconectado
Re: Entre el deber y el hacer hay un trecho
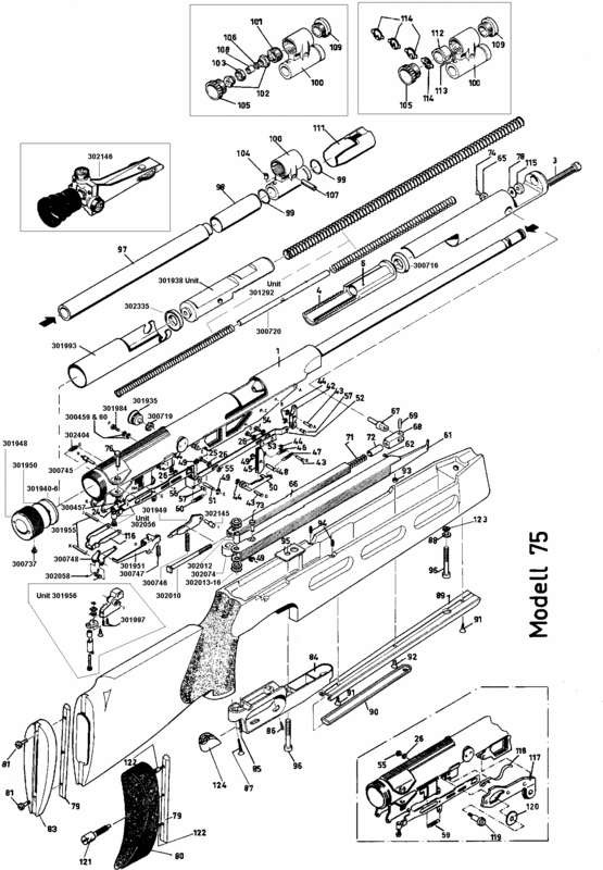
Yo, a los amantes del bricolaje sobre armas, desmontajes, y tal, para entretenerse, les recomendaría comprar una escopetilla de plomillos, una usada hace años para tiro olímpico, la Diana 75, el arma mas complicada que existe, de dos pistones opuestos sobre engranajes, y a ver si sois tan hábiles, y ser capaces de hacerla funcionar de nuevo, y que no acaben un montón de piezas raras en una caja de cartón para ir a la basura.......
Yo, debo llevar como una docena de ellas reparadas, y sin signos evidentes de manipulación, es decir, ninguno. Total, solo me eche con la primera, como unos 3 meses, a ratos, mirando la interrelación y funcionamiento de aquel montón de piezas raras, una docena, o mas de muelles distintos, y muy parecidos, que cada uno va en un sitio, etc, etc, eso si que es ingeniería.......
Eso si que es complicado, desmontar un arma de fuego normal, quitando alguna, como la Auto 5, es algo relativamente simple para alguien medianamente mañoso, y con unos cuantos botadores. Si eres de los que raya el armazón cada vez que la desmontas, metiendo el reten de la corredera, mejor ya ni lo intentes..........
Saludos.
Yo, debo llevar como una docena de ellas reparadas, y sin signos evidentes de manipulación, es decir, ninguno. Total, solo me eche con la primera, como unos 3 meses, a ratos, mirando la interrelación y funcionamiento de aquel montón de piezas raras, una docena, o mas de muelles distintos, y muy parecidos, que cada uno va en un sitio, etc, etc, eso si que es ingeniería.......
Eso si que es complicado, desmontar un arma de fuego normal, quitando alguna, como la Auto 5, es algo relativamente simple para alguien medianamente mañoso, y con unos cuantos botadores. Si eres de los que raya el armazón cada vez que la desmontas, metiendo el reten de la corredera, mejor ya ni lo intentes..........
Saludos.
Re: Entre el deber y el hacer hay un trecho
Esto es como todo en la vida, hay quien no mira ni el agua del coche en su vida.
Yo soy comercial y cada mes viajo fuera de mi comunidad, viajo por toda España, antes de irme meto el coche de la empresa en el garaje y le miro el aceite, refrigerante, liquido de frenos, limpio el filtro de aire, reviso presiones de neumáticos, etc,etc,etc...
Además tengo 2 coches mas que cada mes entran igualmente en el garaje para mirar aceites, agua, presiones ,etc,etc,etc..
Luego está el que no sabe ni donde se encuentra la varilla del aceite, cada uno tiene sus manías.
Yo soy comercial y cada mes viajo fuera de mi comunidad, viajo por toda España, antes de irme meto el coche de la empresa en el garaje y le miro el aceite, refrigerante, liquido de frenos, limpio el filtro de aire, reviso presiones de neumáticos, etc,etc,etc...
Además tengo 2 coches mas que cada mes entran igualmente en el garaje para mirar aceites, agua, presiones ,etc,etc,etc..
Luego está el que no sabe ni donde se encuentra la varilla del aceite, cada uno tiene sus manías.
a lo que tu llamas dolor y sufrimiento yo le llamo pasión y dedicación, cuando tu te rindes, yo comienzo...
¿Quién está conectado?
Usuarios navegando por este Foro: No hay usuarios registrados visitando el Foro y 123 invitados




